Les semi-conducteurs préférés des années 1970
Les prochains composants sur notre liste des semi-conducteurs préférés des années 1970 de Rochester Electronics sont les PAL (Programmable Array Logic).
Les PAL n’étaient pas les premiers composants logiques programmables introduits sur le marché. Cet honneur revient aux PLA de Signetics et Intersil. De nombreux professionnels considèrent que les PAL ont été le point de départ d’un parcours de programmation qui nous a menés aux FPGA actuels d’Intel et AMD.
Les premiers PAL ont fait leur apparition sur le marché en 1978 et étaient le fruit du travail de Monolithic Memories Inc. (MMI). Ils ont immédiatement commencé à remplacer les composants logiques standard. MMI s’est rendu compte que, pour véritablement remplacer les composants logiques standard, la société devait augmenter les performances des PLA existants, les intégrer à un DIP standard de 0,3 pouces, simplifier le développement du fichier de programmation et définir un prix inférieur à 5 $. Elle est parvenue à satisfaire trois de ces quatre critères. Malheureusement, les rendements étaient initialement faibles et le prix était plus proche de 50 $.
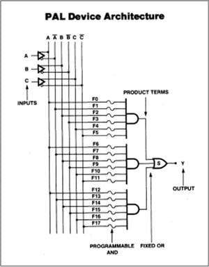
Si vous ne connaissez pas l’architecture d’un PAL, notez qu’il implémente essentiellement la logique de la somme de produits en utilisant une matrice programmable dont les termes de sortie alimentent un réseau fixe ou une matrice. Des variantes ont été introduites sur le marché avec des nombres différents d’entrées et de sorties, des sorties enregistrées, y compris des retours enregistrés, et des options pour un OR exclusif des termes de sortie de la matrice AND. Au final, près de 40 variantes différentes de DIP à 20 et 24 broches ont été introduites sur le marché.
Les PAL ont été programmés électriquement à partir de cartes de fusibles au format JEDEC ou HEX. Des entreprises telles que Data I/O et Stag Microsystems ont créé des programmateurs d’unités individuelles et de groupes. MMI a lancé PALASM, un premier compilateur de langage de description du matériel (HDL), pour traduire les fonctions booléennes et les tables d’état en une carte de fusibles. MMI a rendu PALASM gratuit et open source. La société a également lancé un port du système d’exploitation MS-DOS afin de profiter de l’émergence du PC.
Grâce au support de MS-DOS pour les PC et à la facilité d’utilisation de PALASM, les PAL ont commencé à être massivement utilisés sur le marché et ont contribué à la naissance du secteur de la programmation que nous connaissons aujourd’hui.
Il existait d’autres compilateurs HDL en plus de PALASM. Data I/O utilisait un HDL nommé ABEL, qui a fait le tour du secteur par une série d’acquisitions avant d’être abandonné dans le ISE Design Suite de Xilinx en 2020.
AMD a introduit le 22V10 à 24 broches en 1983 avec des fonctionnalités supplémentaires. Il était suffisamment polyvalent pour reproduire la fonctionnalité de nombreux PAL originaux, d’où le « V ». AMD a acquis MMI en 1987, avant de filialiser son entreprise de programmation sous le nom de Vantis, en 1996, qui a finalement été rachetée par Lattice en 1999.
On aurait pu penser que les PAL auraient disparu depuis longtemps. Néanmoins, il existe toujours une demande du marché et Rochester Electronics est là pour s’assurer que ce classique des années 1970 est toujours en stock et disponible.
Nous espérons que vous avez apprécié ce troisième volet de notre série.
Ne manquez pas la suite dans les mois à venir !
Consulter notre portefeuille PAL
En savoir plus sur les produits logiques de Rochester





